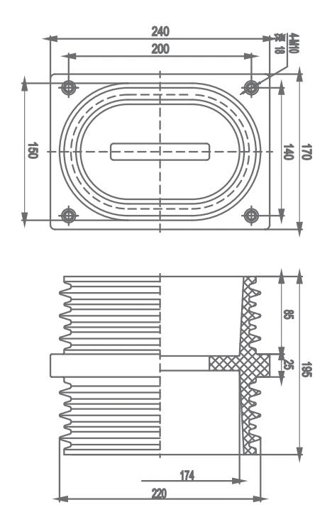
جلبة TGN1-10Q / 195
جلبة
| إنتخاب | رقم الرسم | مسافة التركيب |
| TGN1-10Q / 195 | 5RA12.015.006 | 210 |
| TGN1-10Q / 190 | 5RA12.015.010 | 210 |
| TGN1-10Q / 270 | 5RA12.015.055 | 210 |
| المقياس التقني | قيمة | وحدة |
| بف | 42 | كيلو فولت / 1 دقيقة |
| شرطه | 1.1مولود≤3 | كمبيوتر شخصي |
| تصنيف مثبطات اللهب | الخامس 1 V0 المتطلبات الخاصة | UL94 |
| تيراغرام | 105±5 | درجة مئوية |
| دافع البرق | 75 | كيلوفولت |
| مسافة الزحف | 20 | مم / كيلو فولت |
| التصنيف الحالي | ≤3150 | A |
| لون | أحمر |
راتنجات الايبوكسي APG
| معلمة المواد الخام | قيمة | وحدة |
| الهيدروسكوبية | ≤0.2 | % |
| فقدان عازل | 0.01 | |
| مقاومة العزل | 1.0 * 10¹⁴ | وا |
| قوة تخريبية | ≥18 | كيلو فولت / مم |
| مقاومة القوس | 182 | S |
| قوة التأثير | ≥7 | كيلو جول / م² |
| قوة الانحناء | ≥110 | N / مم² |
